|
| |
| 聯系我們 / CONTACT US |
|
| 河北嘉斯機械配件有限公司 |
| 手機:15930385188 13833801759 |
| 傳真:0318-3408528 |
| 地址:衡水市人民西路南護開發區3號 |
| Q Q:464188009 |
| 郵箱:hbjs@sztp.com |
| 網址:http://www.jingzhoustudio.net |
|
|
| |
|
|
|
|
|
|
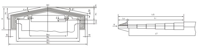
| 鋼板、不銹鋼板機床導軌防護罩 JS.107002 |
發布日期:2016/4/22 15:23:47 |
| 產品瀏覽:3497
次 |
| 產品分類:防護罩系列產品
|
| 訂購熱線:15930385188 13833801759 |
 |
|
|
|
| 描述 |
|
|
| |
 |
|
|
|